Rombach-Schaltung für Drehstromgenerator 12V / 375W

Hallo Forums-Gemeinde,

ich habe mich hier registriert, weil ich zwei Fragen zur Rombach-Schaltung habe.

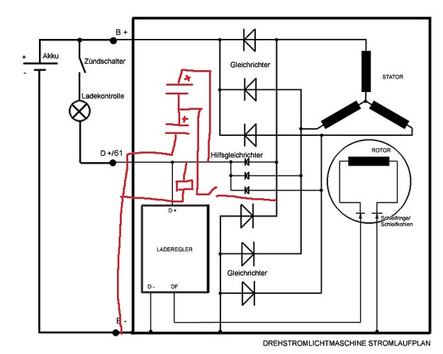
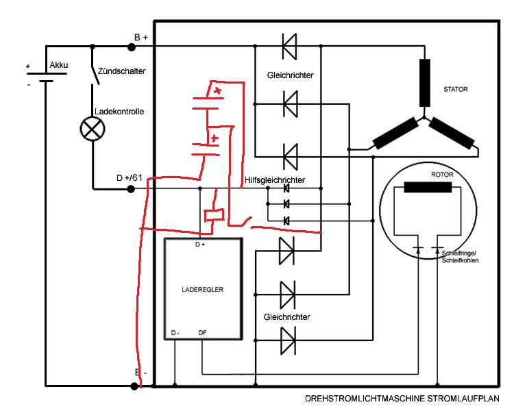
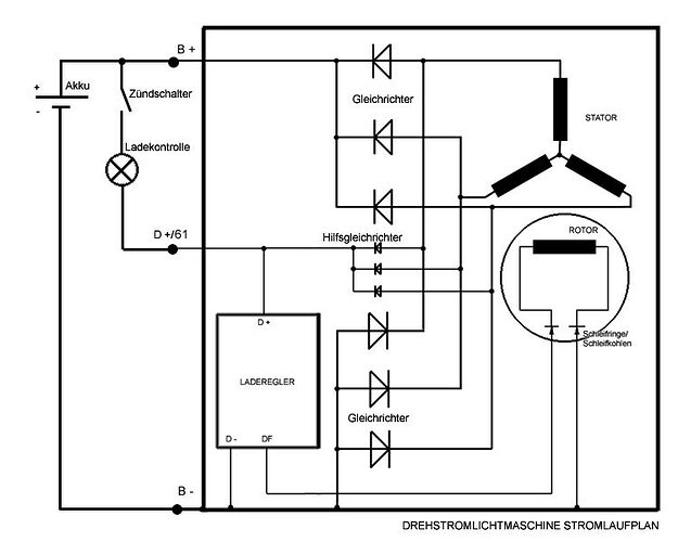
  1. Wo müsste ich das Relais und die Kondensatoren einbauen, wenn ich diesen Schaltplan eines Generators zugrunde lege?

Weil in dem Schaltplan zur Rombach-Schaltung in dem Wikipedia-Link oben, Liegen DF und D+ auf dem gleichen Potential, vermutlich, da dort der Laderegler fehlt.

  1. Wie müssen die Kondensatoren dimensioniert werden was Spannungsfestigkeit und Kapazität angeht? Ich habe zwar über Recherche herausgefunden, dass die Rombach-Schaltung quasi eine Delon-Schaltung ist und über einen Thread im alten Forum Delon-Schaltung; Dimensionierung der Kondensatoren - mosfetkiller-Forum bin ich jetzt hier gelandet, aber ich verstehe nicht, was die Glättung in meinem speziellen Fall zu tun hat. Spannung hätte ich 25V genommen, oder gibt es noch größere Spannungsspitzen die berücksichtigt werden sollen?

Wäre super, wenn mir wer helfen könnte.

Danke und Grüße

Oliver

1 „Gefällt mir“

Naja du hast doch beide Schaltpläne, die kannst du doch ineinander überführen.

Unabhängig davon wird der Effekt von dem ganzen eher gering ausfallen, es ist davon auszugehen das die Erregung selbst bei normaler Batteriespannung schon nahe an der Sättigung arbeitet. Mehr Spannung bringt also erstmal nur mehr Wärme in der Erregerwicklung, viel mehr Spannung kommt da am Ausgang nicht dabei raus.

Mit dem vorhandenen Regler wird das Ganze sowieso nicht funktionieren.

1 „Gefällt mir“

Naja, wenn das ganze mit dem vorhandenen Regler sowieso nicht funktioniert, dann brauche ich ja die beiden Schaltungen nicht ineinander überführen. Der Regler ist ja auch das Problem, warum das veheiraten der Schaltungen auch nicht so einfach Funktioniert.

Im Prinzip musst du nur die Kondensatoren und das Relais ergänzen, die restliche Verschaltung stimmt ja schon

Vorraussetzung ist natürlich, dass du an die Wicklungsenden vom Stator kommst

1 „Gefällt mir“

Hi thunderbolt,

Danke für Deine Antwort. Mein Verständnis ist aber, dass das Relais nur geschlossen ist, wenn die LiMa fremderregt ist.

Wenn ich jetzt die beiden Stromlaufpläne aus Wikipedia zugrunde lege:

Frederregt und Selbsterregt, dann fließt über die Spule des Relais immer ein Strom Richtung Minus, zieht also immer an. Ich hätte die Spule vielleicht parallel zur Ladekontrolllampe angeschlossen. Was meinst Du?

Bleibt noch die Frage nach der Dimensionierung der Elkos.

die Elkos würde ich nach der normalen Ausgangsspannung auslegen

wenn die LiMa 12V liefert würde ich 35V elkos nehmen (16V ist zu knapp)

1000uF sollten reichen, bei Drehstrom ist der rippel ja nicht so hoch.

Die Schaltung funktioniert wenn ich das richtig verstehe so:

Das Relais hat einen Öffnerkontakt, der geschlossen ist, wenn durch die Spule nicht genug Strom fließt

Solange die Spannung niedrig ist, ist die Spannungsverdopplung aktiv, wenn die Spannung dann hoch genug ist, um das Relais anzuziehen wird der Spannungsverdoppler abgeschaltet

Ohne Fremdenergie ist es äußerst unwahrscheinlich das die Lima bis zur Selbsterregung kommt. Das Restmagnetfeld ist häufig zu schwach um überhaupt einen Erregerstrom zu erzeugen.

Sag uns doch mal was du überhaupt vor hast… Vielleicht ist eine Lima dafür keine gute Wahl.

Spannungsmäßig kann so eine LiMa schon weit mehr als Nennspannung machen, die ist immerhin so ausgelegt das sie selbst bei Leerlaufdrehzahl schon Nennspannung bringen kann. Wenn man die jetzt aber signifikant schneller dreht kommt da auch viel mehr Spannung raus, ohne Last dran auch ohne Probleme so viel das es einem den Gleichrichter zerschießt.

Also was ich vorhabe, die Motorradlima soll bei Leerlaufdrehzal etwas mehr Saft bringen.

Hat die überhaupt einen elektrischen Erreger? Häufig genug hat sowas einfach nur Permanentmagnete.

Permanentmagnete hab ich keine gesehen.